您好 ,  欢迎来到59598晟江工业品 登录后可利用更多便捷功能 会员中心  | 新会员注册 [退出]
Z1109闸阀
基本参数
本体材质
黄铜
尺寸范围
1/2寸~2寸
螺纹标准
BSPP
本体形式
双内螺
连接方式
螺纹连接
  • 已选总价:¥0.00
  • 已选数量:0
所有费用均已包含增值税,不含运费。运费详情请参阅运费指导书。
其他类似产品
名称
维奇接头
¥0.0 起
名称
Z1101闸阀
¥0.0 起
名称
B120系列球阀
¥0.0 起
名称
B310系列球阀
¥0.0 起
名称
boss接头
¥0.0 起
名称
异径四通
¥0.0 起
名称
格拉管尾
¥38.68 起
名称
B411系列球阀
¥0.0 起
名称
卡套四通
¥0.0 起
产品详情与编号
序号 产品编号 名称 规格尺寸 本体材质 本体形式 螺纹标准 售价 订购数量
  全部
全部
全部
全部
全部
全部
   
0.0 0412151405 黄铜手动闸阀 1-1/2寸 黄铜 双内螺 BSPP 询价
0.0 0412151401 黄铜手动闸阀 1/2寸 黄铜 双内螺 BSPP 询价
0.0 0412151402 黄铜手动闸阀 3/4寸 黄铜 双内螺 BSPP 询价
0.0 0412151403 黄铜手动闸阀 1寸 黄铜 双内螺 BSPP 询价
0.0 0412151404 黄铜手动闸阀 1-1/4寸 黄铜 双内螺 BSPP 询价
0.0 0412151406 黄铜手动闸阀 2寸 黄铜 双内螺 BSPP 询价
注:本公司对上述参数保有最终解释权,如若变动,恕不通知。
手动闸阀;黄铜闸阀
产品描述
  • 公称压力:1.6Mpa
  • 温度:-20℃~110℃
  • 介质:水,非腐蚀性液体
  • 螺纹:BSP NPT或其他客户指定

闸阀安装;黄铜闸阀连接
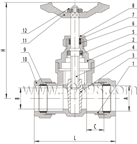
SIZ A B H D L
1/2" 15.2 13 80.5 58 70
3/4" 22.2 19 93.5 68 75
1" 28.3 24 106.5 68 88
1 1/4" 35.3 32 125.0 83 104
1 1/2" 42.3 39 143.0 97 111
2" 54.3 51 171.0 114 117


部件标号 部件名称 材质
1 阀体 黄铜
2 楔式闸板 黄铜
3 阀盖 黄铜
4 阀杆 黄铜
5 螺纹环 黄铜
6 填料 聚四氟乙烯
7 黄铜垫片 黄铜
8 压紧螺帽 黄铜
9 垫圈 黄铜
10 八角螺帽 黄铜
11 操作轮
12 螺母
1.请确保阀门在合适的工况中使用。
2.阀门安装前,请确保清除流体中的杂质,否则可能造面密封面损坏。
3.阀门安装前,务必先清除产品及阀门端面上的防护包装物。
4.阀门安装时,请确保螺纹部分生带合理使用量,否则可能造成阀门与管道连接处泄露。
5.阀门安装完成后,请确保连接管道没有对阀门形成拉伸,否则会造成对阀门螺纹的损坏。
6.阀门投入使用前,请对管道进行压力测试以确保所有的连接处无泄露。
7.阀门使用期间,请确保阀门打开与关闭的扭矩不应超过30Nm。
8.请定期检查维护阀门,以确保阀门正常工作。
Copyright ©2012 SME Corporation All Rights Reserved
ICP备案证书号:沪ICP备10013497号-1··上海工商
晟江工业品|快速接头|工业软管|软管总成|阀门仪表